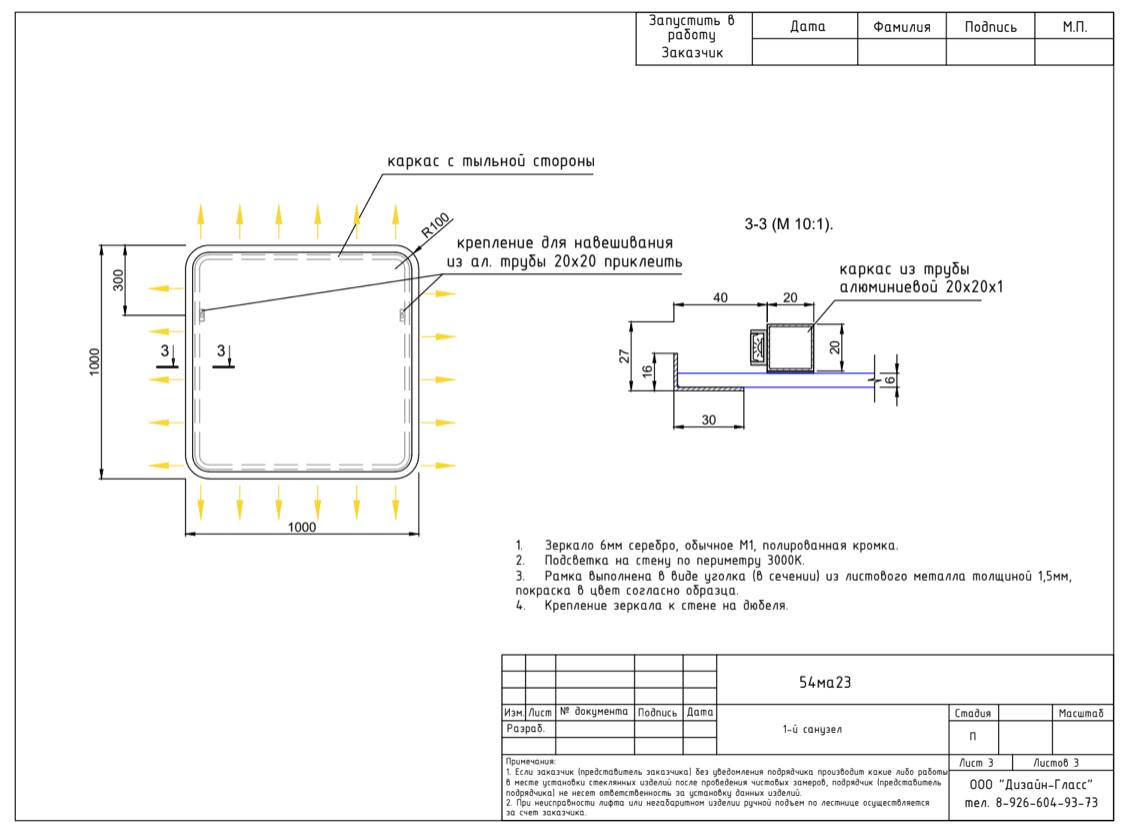
Зеркало с подсветкой Менеджер2025-11-07T20:27:06+03:00 Project Description 0 07.10.2025 Зеркало с подсветкой. Такая подсветка не только эстетически подчеркивает стиль ванной, но и создает комфортное настроение для утренних и вечерних процедур. Проект реализован ЖК «Квартал Онли», ул. Большая Филевская, 4. Поделиться FacebookTwitterGoogle +PinterestVK